E15S02P73
Dual Band Tower Mounted Amplifier, 1800//2600 MHz, 12 dB, 2 BTS & 4 ANT ports, AISG with 1 RET connector (2 device with 2 sub-units); with improved Out of Band Tx rejection
Specifications
Product classification
| Product Type | 1-BTS:2-ANT (Diplex) | Tower mounted amplifier |
General specifications
| Color | Gray |
| Modularity | 2-Twin |
| Mounting | Pole | Wall |
| Mounting Pipe Hardware | Band clamps (2) |
| RF Connector Interface | 7-16 DIN Female |
Dimensions
| Height | 257 mm | 10.118 in |
| Width | 334 mm | 13.15 in |
| Depth | 105 mm | 4.134 in |
| Mounting Pipe Diameter Range | 50–120 mm |
Outline drawing
| Click on image to enlarge. |
Electrical specifications
| License Band, LNA | DCS 1800 | IMT 2600 |
Electrical specifications, dc power/alarm
| dc Switching/Redundancy | Yes |
| Lightning Surge Current | 10 kA |
| Lightning Surge Current Waveform | 8/20 waveform |
| Voltage | 7–30 Vdc |
| Alarm Current, CWA Mode | 190 mA ±10 mA |
Electrical specifications, aisg
| AISG Connector | 8-pin DIN Female |
| AISG Connector Standard | IEC 60130-9 |
| Protocol | AISG 2.0 |
| Voltage, AISG Mode | 10–30 Vdc |
Electrical specifications
| Sub-module | 1 | 2 | 1 | 2 |
| Branch | 1 | 2 |
| Port Designation | ANT 1800 | ANT 2600 |
| License Band | DCS 1800, LNA | IMT 2600, LNA |
Electrical specifications, rx uplink
| Frequency Range, MHz | 1710–1785 | 2500–2570 |
| Bandwidth, MHz | 75.00 | 70.00 |
| Gain, nominal, dB | 12.0 | 12.0 |
| Noise Figure, typical, dB | 1.5 | 1.6 |
| Return Loss, minimum, dB | 18 | 18 |
| Insertion Loss - Bypass Mode, typical, dB | 3.0 | 3.0 |
| Return Loss - Bypass Mode, typical, dB | 14 | 14 |
Electrical specifications, tx downlink
| Frequency Range, MHz | 1805–1880 | 2620–2690 |
| Bandwidth, MHz | 75.00 | 70.00 |
| Insertion Loss, typical, dB | 0.50 | 0.50 |
| Return Loss, minimum, dB | 18 | 18 |
| Input Power, RMS, maximum, W | 200 | 200 |
| Input Power, PEP, maximum, W | 2,000 | 2,000 |
| 3rd Order PIM, maximum, dBc | -153 | -153 |
| 3rd Order PIM Test Method | Two +43 dBm carriers | Two +43 dBm carriers |
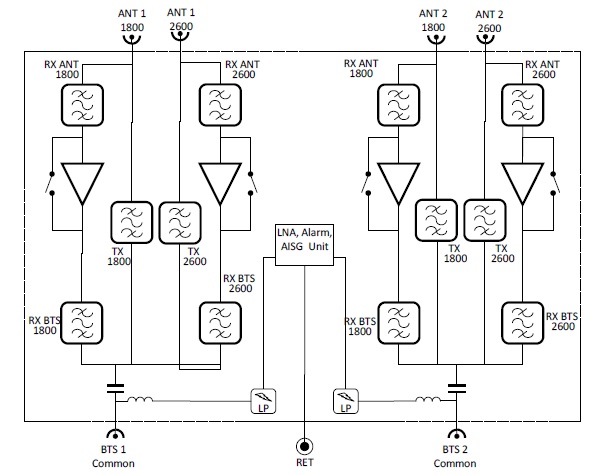
Block diagram
| Click on image to enlarge. |
Mechanical specifications
| Wind Speed, maximum | 200 km/h (124 mph) |
Environmental specifications
| Operating Temperature | -40 °C to +65 °C (-40 °F to +149 °F) |
| Relative Humidity | Up to 100% |
| Corrosion Test Method | IEC 60068-2-11, 30 days |
| Ingress Protection Test Method | IEC 60529:2001, IP67 |
Packaging and weights
| Included | Mounting hardware |
| Volume | 9 L |
| Weight, net | 10.5 kg | 23.149 lb |
Regulatory compliance/certifications
| Agency | Classification |
| ISO 9001:2015 | Designed, manufactured and/or distributed under this quality management system |
Product classification
| Product Type | 1-BTS:2-ANT (Diplex) | Tower mounted amplifier |
General specifications
| Color | Gray |
| Modularity | 2-Twin |
| Mounting | Pole | Wall |
| Mounting Pipe Hardware | Band clamps (2) |
| RF Connector Interface | 7-16 DIN Female |
Dimensions
| Height | 257 mm | 10.118 in |
| Width | 334 mm | 13.15 in |
| Depth | 105 mm | 4.134 in |
| Mounting Pipe Diameter Range | 50–120 mm |
Electrical specifications
| License Band, LNA | DCS 1800 | IMT 2600 |
Electrical specifications, dc power/alarm
| dc Switching/Redundancy | Yes |
| Lightning Surge Current | 10 kA |
| Lightning Surge Current Waveform | 8/20 waveform |
| Voltage | 7–30 Vdc |
| Alarm Current, CWA Mode | 190 mA ±10 mA |
Electrical specifications, aisg
| AISG Connector | 8-pin DIN Female |
| AISG Connector Standard | IEC 60130-9 |
| Protocol | AISG 2.0 |
| Voltage, AISG Mode | 10–30 Vdc |
Electrical specifications
| Sub-module | 1 | 2 | 1 | 2 |
| Branch | 1 | 2 |
| Port Designation | ANT 1800 | ANT 2600 |
| License Band | DCS 1800, LNA | IMT 2600, LNA |
Electrical specifications, rx uplink
| Frequency Range, MHz | 1710–1785 | 2500–2570 |
| Bandwidth, MHz | 75.00 | 70.00 |
| Gain, nominal, dB | 12.0 | 12.0 |
| Noise Figure, typical, dB | 1.5 | 1.6 |
| Return Loss, minimum, dB | 18 | 18 |
| Insertion Loss - Bypass Mode, typical, dB | 3.0 | 3.0 |
| Return Loss - Bypass Mode, typical, dB | 14 | 14 |
Electrical specifications, tx downlink
| Frequency Range, MHz | 1805–1880 | 2620–2690 |
| Bandwidth, MHz | 75.00 | 70.00 |
| Insertion Loss, typical, dB | 0.50 | 0.50 |
| Return Loss, minimum, dB | 18 | 18 |
| Input Power, RMS, maximum, W | 200 | 200 |
| Input Power, PEP, maximum, W | 2,000 | 2,000 |
| 3rd Order PIM, maximum, dBc | -153 | -153 |
| 3rd Order PIM Test Method | Two +43 dBm carriers | Two +43 dBm carriers |
Mechanical specifications
| Wind Speed, maximum | 200 km/h (124 mph) |
Environmental specifications
| Operating Temperature | -40 °C to +65 °C (-40 °F to +149 °F) |
| Relative Humidity | Up to 100% |
| Corrosion Test Method | IEC 60068-2-11, 30 days |
| Ingress Protection Test Method | IEC 60529:2001, IP67 |
Packaging and weights
| Included | Mounting hardware |
| Volume | 9 L |
| Weight, net | 10.5 kg | 23.149 lb |
| Click on image to enlarge. |
| Click on image to enlarge. |
Regulatory compliance/certifications
| Agency | Classification |
| ISO 9001:2015 | Designed, manufactured and/or distributed under this quality management system |
Installation & videos
Installation instruction
Filter Products – Designed for PIM Excellence
Filter Products – Designed for PIM Excellence
Documentation & downloads