Warning Icon

For other alternatives, please contact us for more information.

0 Alternative products available

CBC626T-DL-4310 | E14F55P08

Ultra Compact Twin Diplexer 380-960/1695-2690MHz, DC Low, 4.3-10 connectors

Finish making your selections or clear them to view relevant specifications.
Download specifications
Features and benefits
  • Ideal for small cell applications
  • Compact form factor with reduced size and weight
  • Suitable for space limited applications like Metro Cell, Lamp Pole and Concealment Solution
  • Industry leading PIM performance
  • New 4.3-10 connectors for improved PIM performance and size reduction
  • dc/AISG pass-through on low frequency ports
  • Twin configuration

Product classification

Product Type Diplexer

General specifications

Color Gray
Common Port Label Common
Modularity 2-Twin
RF Connector Interface 4.3-10 Female
RF Connector Interface Body Style Long neck

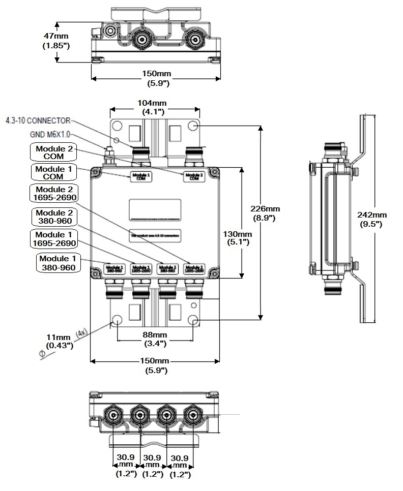
Dimensions

Height 150 mm | 5.906 in
Width 130 mm | 5.118 in
Depth 47 mm | 1.85 in

Outline drawing

Click on image to enlarge.

Electrical specifications

Impedance 50 ohm
License Band, Band Pass APT 700 | AWS 1700 | CEL 850 | CEL 900 | DCS 1800 | EDD 800 | IMT 2100 | IMT 2600 | LMR 750 | LMR 800 | LMR 900 | PCS 1900 | TDD 1900 | TDD 2300 | USA 700 | USA 750 | WCS 2300

Electrical specifications, dc power/alarm

dc/AISG Pass-through Method Factory set
dc/AISG Pass-through Path Branch 1
dc/AISG Pass-through, combiner Branch 1
dc/AISG Pass-through, demultiplexer Branch 1
Lightning Surge Current 5 kA
Lightning Surge Current Waveform 8/20 waveform

Electrical specifications

Sub-module 1 | 2 1 | 2
Branch 1 2
Port Designation Port 380-960 Port 1695-2690
License Band APT 700, Band Pass
CEL 850, Band Pass
CEL 900, Band Pass
LMR 750, Band Pass
LMR 900, Band Pass
USA 600, Band Pass
USA 700, Band Pass
USA 750, Band Pass
AWS 1700, Band Pass
DCS 1800, Band Pass
IMT 2100, Band Pass
IMT 2600, Band Pass
PCS 1900, Band Pass
TDD 2300, Band Pass
WCS 2300, Band Pass

Electrical specifications, band pass

Frequency Range, MHz 380–960 1695–2690
Insertion Loss, typical, dB 0.25 0.25
Total Group Delay, maximum, ns 5 5
Return Loss, typical, dB 23 23
Isolation, typical, dB 50 50
Input Power, RMS, maximum, W 100 100
Input Power, PEP, maximum, W 1,500 1,500
3rd Order PIM, typical, dBc -161 -161
3rd Order PIM Test Method 2 x 20 W CW tones 2 x 20 W CW tones

Block diagram

Click on image to enlarge.

Material specifications

Finish Painted

Environmental specifications

Operating Temperature -40 °C to +65 °C (-40 °F to +149 °F)
Relative Humidity Up to 100%
Corrosion Test Method IEC 60068-2-11, 30 days
Ingress Protection Test Method IEC 60529:2001, IP67

Packaging and weights

Mounting Hardware Weight 0.3 kg | 0.661 lb
Weight, without mounting hardware 1.7 kg | 3.748 lb

Regulatory compliance/certifications

Agency Classification
CHINA-ROHS Below maximum concentration value
ROHS Compliant
UK-ROHS Compliant
REACH-SVHC Compliant as per SVHC revision on www.andrew.com/ProductCompliance

Product classification

Product Type Diplexer

General specifications

Color Gray
Common Port Label Common
Modularity 2-Twin
RF Connector Interface 4.3-10 Female
RF Connector Interface Body Style Long neck

Dimensions

Height 150 mm | 5.906 in
Width 130 mm | 5.118 in
Depth 47 mm | 1.85 in

Electrical specifications

Impedance 50 ohm
License Band, Band Pass APT 700 | AWS 1700 | CEL 850 | CEL 900 | DCS 1800 | EDD 800 | IMT 2100 | IMT 2600 | LMR 750 | LMR 800 | LMR 900 | PCS 1900 | TDD 1900 | TDD 2300 | USA 700 | USA 750 | WCS 2300

Electrical specifications, dc power/alarm

dc/AISG Pass-through Method Factory set
dc/AISG Pass-through Path Branch 1
dc/AISG Pass-through, combiner Branch 1
dc/AISG Pass-through, demultiplexer Branch 1
Lightning Surge Current 5 kA
Lightning Surge Current Waveform 8/20 waveform

Electrical specifications

Sub-module 1 | 2 1 | 2
Branch 1 2
Port Designation Port 380-960 Port 1695-2690
License Band APT 700, Band Pass; CEL 850, Band Pass; CEL 900, Band Pass; LMR 750, Band Pass; LMR 900, Band Pass; USA 600, Band Pass; USA 700, Band Pass; USA 750, Band Pass AWS 1700, Band Pass; DCS 1800, Band Pass; IMT 2100, Band Pass; IMT 2600, Band Pass; PCS 1900, Band Pass; TDD 2300, Band Pass; WCS 2300, Band Pass

Electrical specifications, band pass

Frequency Range, MHz 380–960 1695–2690
Insertion Loss, typical, dB 0.25 0.25
Total Group Delay, maximum, ns 5 5
Return Loss, typical, dB 23 23
Isolation, typical, dB 50 50
Input Power, RMS, maximum, W 100 100
Input Power, PEP, maximum, W 1,500 1,500
3rd Order PIM, typical, dBc -161 -161
3rd Order PIM Test Method 2 x 20 W CW tones 2 x 20 W CW tones

Material specifications

Finish Painted

Environmental specifications

Operating Temperature -40 °C to +65 °C (-40 °F to +149 °F)
Relative Humidity Up to 100%
Corrosion Test Method IEC 60068-2-11, 30 days
Ingress Protection Test Method IEC 60529:2001, IP67

Packaging and weights

Mounting Hardware Weight 0.3 kg | 0.661 lb
Weight, without mounting hardware 1.7 kg | 3.748 lb
Click on image to enlarge.
Click on image to enlarge.

Regulatory compliance/certifications

Agency Classification
CHINA-ROHS Below maximum concentration value
ROHS Compliant
UK-ROHS Compliant
REACH-SVHC Compliant as per SVHC revision on www.andrew.com/ProductCompliance
Filter Products – Designed for PIM Excellence
Filter Products – Designed for PIM Excellence

Product specification

Product specification