Warning Icon

For other alternatives, please contact us for more information.

0 Alternative products available

F4PDF-C

7-16 DIN Female connector for 1/2 in FSJ4-50B cable

Finish making your selections or clear them to view relevant specifications.
Download specifications

Product classification

Product Type Wireless and radiating connector
Product Brand HELIAX®
Product Series FSJ4-50B | FSJ4RK-50B
Ordering Note ANDREW® standard product (Global)

General specifications

Body Style Straight
Cable Family FSJ4-50B
Inner Contact Attachment Method Captivated
Inner Contact Plating Silver
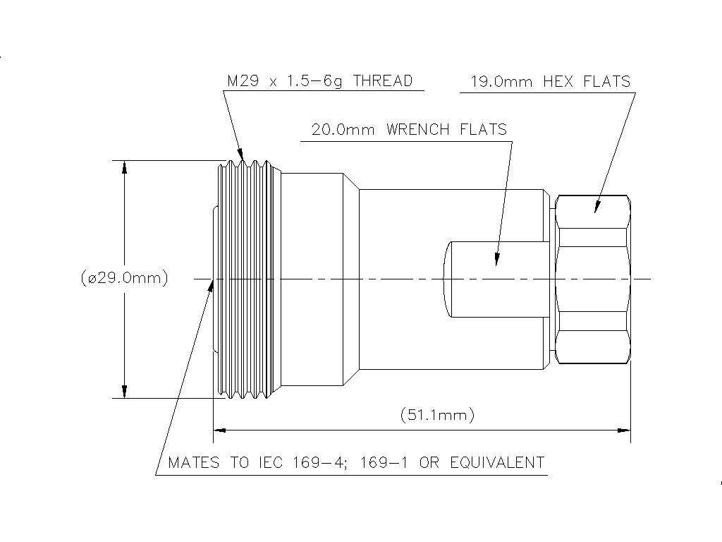
Interface 7-16 DIN Female
Mounting Angle Straight
Outer Contact Attachment Method Self-flare
Outer Contact Plating Trimetal
Pressurizable No

Dimensions

Length 50.04 mm | 1.970 in
Diameter 28.96 mm | 1.140 in
Nominal Size 1/2 in

Outline drawing

Click on image to enlarge.

Electrical specifications

3rd Order IMD at Frequency -120 dBm @ 910 MHz
3rd Order IMD Test Method Two +43 dBm carriers
Insertion Loss Coefficient, typical 0.05
Average Power at Frequency 1.0 kW @ 900 MHz
Cable Impedance 50 ohm
Connector Impedance 50 ohm
dc Test Voltage 2500 V
Inner Contact Resistance, maximum 0.8 mOhm
Insulation Resistance, minimum 5000 mOhm
Operating Frequency Band 0 – 7500 MHz
Outer Contact Resistance, maximum 1.5 mOhm
Peak Power, maximum 15.6 kW
RF Operating Voltage, maximum (vrms) 884 V
Shielding Effectiveness -110 dB

Return loss/vswr

Frequency band Vswr Return loss (db)
0–1000 MHz 1.023 38.89
1000–2000 MHz 1.025 38.17
2000–2300 MHz 1.029 36.90
2300–4000 MHz 1.119 25.01

Mechanical specifications

Attachment Durability 25 cycles
Connector Retention Tensile Force 889.64 N | 200.000 lbf
Connector Retention Torque 5.42 N-m | 47.998 in lb
Insertion Force 200.17 N | 45.000 lbf
Insertion Force Method IEC 61169-1:15.2.4
Interface Durability 500 cycles
Interface Durability Method IEC 61169-4:9.5
Mechanical Shock Test Method MIL-STD-202F, Method 213B, Test Condition C

Environmental specifications

Operating Temperature -55 °C to +85 °C (-67 °F to +185 °F)
Storage Temperature -55 °C to +85 °C (-67 °F to +185 °F)
Attenuation, Ambient Temperature 20 °C | 68 °F
Average Power, Ambient Temperature 40 °C | 104 °F
Corrosion Test Method MIL-STD-1344A, Method 1001.1, Test Condition A
Immersion Depth 1 m
Immersion Test Mating Mated
Immersion Test Method IEC 60529:2001, IP68
Moisture Resistance Test Method MIL-STD-202F, Method 106F
Thermal Shock Test Method MIL-STD-202, Method 107, Test Condition A-1, Low Temperature -55 °C
Vibration Test Method MIL-STD-202F, Method 204D, Test Condition B
Water Jetting Test Mating Mated
Water Jetting Test Method IEC 60529:2001, IP66

Packaging and weights

Weight, net 150 g | 0.331 lb

Regulatory compliance/certifications

Agency Classification
CHINA-ROHS Below maximum concentration value
ISO 9001:2015 Designed, manufactured and/or distributed under this quality management system
ROHS Compliant
UK-ROHS Compliant, Compliant/Exempted
REACH-SVHC Compliant as per SVHC revision on www.andrew.com/ProductCompliance

Product classification

Product Type Wireless and radiating connector
Product Brand HELIAX®
Product Series FSJ4-50B | FSJ4RK-50B
Ordering Note ANDREW® standard product (Global)

General specifications

Body Style Straight
Cable Family FSJ4-50B
Inner Contact Attachment Method Captivated
Inner Contact Plating Silver
Interface 7-16 DIN Female
Mounting Angle Straight
Outer Contact Attachment Method Self-flare
Outer Contact Plating Trimetal
Pressurizable No

Dimensions

Length 50.04 mm | 1.970 in
Diameter 28.96 mm | 1.140 in
Nominal Size 1/2 in

Electrical specifications

3rd Order IMD at Frequency -120 dBm @ 910 MHz
3rd Order IMD Test Method Two +43 dBm carriers
Insertion Loss Coefficient, typical 0.05
Average Power at Frequency 1.0 kW @ 900 MHz
Cable Impedance 50 ohm
Connector Impedance 50 ohm
dc Test Voltage 2500 V
Inner Contact Resistance, maximum 0.8 mOhm
Insulation Resistance, minimum 5000 mOhm
Operating Frequency Band 0 – 7500 MHz
Outer Contact Resistance, maximum 1.5 mOhm
Peak Power, maximum 15.6 kW
RF Operating Voltage, maximum (vrms) 884 V
Shielding Effectiveness -110 dB

Return loss/vswr

Frequency Band VSWR Return Loss (dB)
0–1000 MHz 1.023 38.89
1000–2000 MHz 1.025 38.17
2000–2300 MHz 1.029 36.90
2300–4000 MHz 1.119 25.01

Mechanical specifications

Attachment Durability 25 cycles
Connector Retention Tensile Force 889.64 N | 200.000 lbf
Connector Retention Torque 5.42 N-m | 47.998 in lb
Insertion Force 200.17 N | 45.000 lbf
Insertion Force Method IEC 61169-1:15.2.4
Interface Durability 500 cycles
Interface Durability Method IEC 61169-4:9.5
Mechanical Shock Test Method MIL-STD-202F, Method 213B, Test Condition C

Environmental specifications

Operating Temperature -55 °C to +85 °C (-67 °F to +185 °F)
Storage Temperature -55 °C to +85 °C (-67 °F to +185 °F)
Attenuation, Ambient Temperature 20 °C | 68 °F
Average Power, Ambient Temperature 40 °C | 104 °F
Corrosion Test Method MIL-STD-1344A, Method 1001.1, Test Condition A
Immersion Depth 1 m
Immersion Test Mating Mated
Immersion Test Method IEC 60529:2001, IP68
Moisture Resistance Test Method MIL-STD-202F, Method 106F
Thermal Shock Test Method MIL-STD-202, Method 107, Test Condition A-1, Low Temperature -55 °C
Vibration Test Method MIL-STD-202F, Method 204D, Test Condition B
Water Jetting Test Mating Mated
Water Jetting Test Method IEC 60529:2001, IP66

Packaging and weights

Weight, net 150 g | 0.331 lb
Click on image to enlarge.

Regulatory compliance/certifications

Agency Classification
CHINA-ROHS Below maximum concentration value
ISO 9001:2015 Designed, manufactured and/or distributed under this quality management system
ROHS Compliant
UK-ROHS Compliant, Compliant/Exempted
REACH-SVHC Compliant as per SVHC revision on www.andrew.com/ProductCompliance

Product specification

Product specification